2020 Extruded Aluminum Dimensions 20 2020 is a 20mm x 20mm metric 20 series square T slot profile with four open T slots one on each 20mm face The profile is smooth which makes it resistant to dirt and debris buildup while also being easy to clean The 20 2020 profile is compatible with all 20 series fasteners The 20 2020 profile is part of the smallest profile series 80 20
80 20 Profile Selection 80 20 offers a wide variety of fractional and metric profiles The fraction includes the 10 series 1 by 1 and the 15 Series 1 5 by 1 5 Here is a comparison of the 10 series and 15 series profile standards 10 Series 1 by 1 1010 increases in size to 2 by 4 2040 Become an 80 20 Builder With 80 20 you have a lot of options when it comes to planning designing and building your project 80 20 University provides tools resources videos and tutorials to answer questions assist in decision making provide helpful hints reduce design time and much more
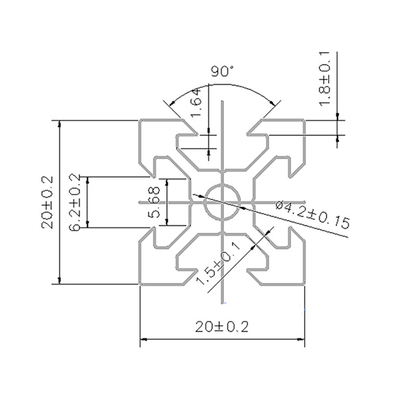
2020 Extruded Aluminum Dimensions
2020 Extruded Aluminum Dimensions
http://5lrorwxhipqmrik.ldycdn.com/cloud/lqBqpKmnRinSkopokqkp/photobank.jpg
2020 Aluminum ExtrusionERD Metal has a modular T slot aluminum extrusion profile system that can easily be applied to aluminum framework industrial Home How these profiles work depends on the dimensions of the extrusion For example if we consider 20 20 profiles that means that the T slot profile is 20mm by 20mm The difference
Pre-crafted templates provide a time-saving solution for developing a varied variety of documents and files. These pre-designed formats and layouts can be used for various personal and professional jobs, including resumes, invites, flyers, newsletters, reports, presentations, and more, streamlining the material development procedure.
2020 Extruded Aluminum Dimensions

Aluminum Extrusion 2020 T Slot Profile Canada SPOOL3D

2040 V Slot Profile Extrusion 3d Printer Aluminum Frame Aluminum

What Are Extruded Aluminum Profiles And Knowing Their Types Alumtech

EXM 2020 20mm X 20mm Smooth T Slotted Aluminum Extrusion TNUTZ

6063 T Slot 2020 Dimensions Aluminum Extrusion Profile Cover Slot

Aluminum Extrusion Aluminium Extruded Aluminum Modular Workstations

https://www.zetwerk.com/resources/knowledge-base/aluminum-extrusions/2020-t-slot-aluminum-extrusion/
1 520 720 3085 Zetwerk provides high quality 2020 T Slot Aluminum Extrusion and all secondary operations Submit the relevant part drawings 3D files and other information by clicking on the button below The extrusion process involves an aluminum alloy into a die containing a cross sectional shape

https://8020.net/
80 20 provides T slot aluminum profiles or bars that have channels used to connect other bars and parts for instance panels linear bearings or casters It is a building system anyone can use to create custom solutions 80 20 UNIVERSITY One of the many benefits you ll find with 80 20 profiles and parts is its versatility

https://www.cnclathing.com/guide/2020-vs-4040-vs-8020-aluminum-extrusion-comparison-properties-strength-applications-cost
2020 Aluminum Extrusion The 2020 profile s precision and compactness render it perfect for applications in electronics robotics and 3D printers The 2020 profile s compact size eases assembly in confined spaces while the 4040 profile s slightly larger build simplifies alignment and attachment The 8020 profile though more

https://www.wellste.com/2020-aluminum-extrusion/
Request our latest price Your Reliable 2020 Aluminum Extrusion Supplier and Manufacturer Wellste 2020 aluminum extrusion is highly favored by many businesses because of its small profile Additionally it is considered to be the smallest in the 20 series T slotted aluminum It is also called 2020 aluminum extrusion v slot

https://vention.io/resources/guides/t-slot-aluminum-extrusion-structure-design-guide-77
1 Choosing the right extrusion profile 45 x 45 mm Light Duty Extrusion Tabletop Extrusion Calculate the safety factor Calculate bending stresses Calculate buckling strength 2 Choose the right joint configuration 3 Use high strength extrusion systems for demanding applications 4 Structural joint design guide Conclusion
May 11th 2019 STL STEP Fusion360 and Solidworks part files of 2020 aluminum extrusions at 300mm Solidworks file has a material attribution of Alumini The problem is that 80 20 20 series is different than actual 20 20 extrusion The slots are only 5 25mm wide while everything on amazon has 6mm wide slots Almost everything on thingiverse is for
None Material A6N01SS T5 Aluminum Alloy Extrusion Size Width A mm 20 Extrusion Size Thickness T mm 20 Product Notes Please check the product specification for the part number KHFS5 2020 1000 on the 20x20 Aluminum Extrusion 5 Series Base 20 The KHFS5 2020 1000 is included in our offerings for MISUMI Aluminum Extrusions and