2 4 Ecotec Timing Chain Guide Bolts 11588522R ARP Ecotec Timing Chain Guide Bolt Set 2 0 2 2 2 4 Ecotec engines Review and Rate this Item Product Accessories for ARP Ecotec Timing Chain Guide Bolt Set 11588522R Other Items In This Category Ecotec Timing Chain Guide Bolt 11588522 List 8 80 Price 6 60 Add to Cart Ecotec Timing Chain 24461834 List 174 99 Price
ACDelco GM Original Equipment 12680750 Timing Chain Kit with Tensioner Guides Nozzle Seal and Bolts Visit the ACDelco Store 4 5 255 ratings 31 answered questions 14192 The timing chain guide bolt on General Motors popular Ecotec four cylinder engines is one such piece of critical hardware and one that routinely fatigues and breaks off during normal use The unmistakable rattle of a loose timing chain confirms the guide has inevitably broken free in the head and requires immediate attention Original Design
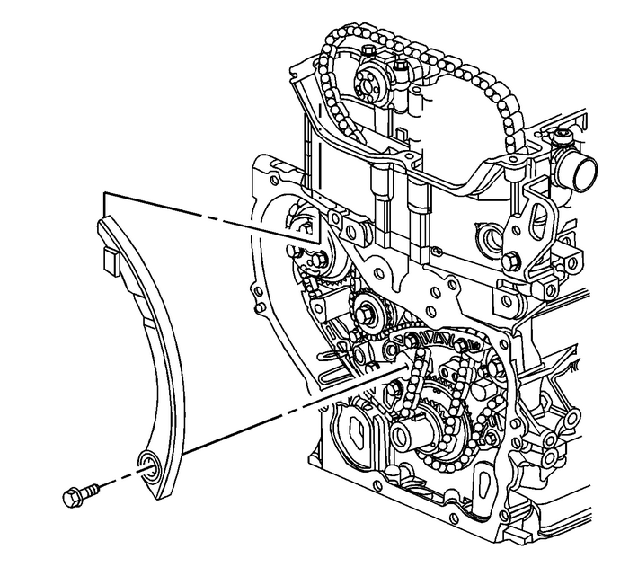
2 4 Ecotec Timing Chain Guide Bolts
2 4 Ecotec Timing Chain Guide Bolts
https://cdn.stamped.io/uploads/photos/95106_1387945033839_dea74990_4aaf_48e6_b808_c7d44d43aeda.jpg?tr=h-800
How to repair a 2 4 and 2 2 Chevy ecotech timing chain guide bolt without cylinder head removal The part is a dorman 917 954
Templates are pre-designed files or files that can be utilized for different functions. They can conserve time and effort by offering a ready-made format and design for creating different type of material. Templates can be utilized for personal or professional jobs, such as resumes, invitations, flyers, newsletters, reports, presentations, and more.
2 4 Ecotec Timing Chain Guide Bolts

All About The BMW N20 Timing Chain Recalls VehicleHistory

Ecotec Timing Chain Guide Set For VVT Engines

Loose Timing Chain 2 2 Ecotec YouTube
How To Replace The Timing Chain On A 2 2 Ecotec EBay

2010 Chevy Equinox Timing Chain Replacement Poissant prestia

2 4 Ecotec Water Pump Chain Doovi

https://www.dormanproducts.com/p-86802-917-954.aspx
Product Description Fixing a sheared engine timing chain guide bolt with original equipment typically requires a labor intensive removal procedure This Dorman OE FIX innovation saves hours by integrating the bolt and plug for an easy repair on GM Ecotec engines
https://www.oreillyauto.com/detail/c/dorman-oe-solutions/engine-parts---mounts/timing-parts/timing-chain-guide-bolt/42212b4fcdda/dorman-oe-solutions-timing-guide-bolt/doe0/917954
Timing Chain Guide Bolt Fixing a sheared engine timing chain guide bolt with original equipment typically requires a labor intensive removal procedure This Dorman OE FIX innovation saves hours by integrating the bolt and plug for an easy repair on GM Ecotec engines

https://www.napaonline.com/en/p/NOE91709541
Fixing a sheared engine timing chain guide bolt with original equipment typically requires a labor intensive removal procedure This NAPA Advantage innovation saves hours by integrating the bolt and plug for an easy repair on GM Ecotec engines Direct replacement for a proper fit every time Includes all necessary components for a complete repair

https://zzperformance.com/products/ecotec-timing-chain-guide-bolt
Ecotec Timing Chain Upper Guide Bolt Price Regular price 1299 Secure payments Inventory on the way Add to cart This aftermarket piece replaces the plagued stepped shoulder bolt that has a high tendency of breaking in the Ecotec 2 0 2 2 2 4 liter GM engine It is far superior in every way and will not require you to replace the head

https://www.oreillyauto.com/shop/b/engines---transmissions/timing-parts/timing-chain-guide-bolt/42212b4fcdda
Medium Integral Washer Inside Diameter mm 18 2mm 24mm 1 12 of 12 results for Timing Chain Guide Bolt Compare All Pick Up in Store Ship to Home Sort By Compare Dorman OE Solutions Timing Guide Bolt 917 954 Part 917 954 Line DOR Check Vehicle Fit Limited Lifetime Warranty Finish Zinc Clear Chromate Head Size 10mm Material Steel
You may email me at havukindustries gmail if you have any questions or would like to order one If you feel more comfortable purchasing through ebay here Our upgraded ZZP Ecotec timing chain guide bolt is made of an upgraded alloy over stock and solves the problem of the stock shoulder bolt shearing over time This bolt is a must have when servicing the timing chain system in your Ecotec engine We include 1 of these bolts with our upgraded ZZP timing chain guide found h
GM Ecotec 2 0L 2 2L 2 4L I 4 Timing Tensioner GM has had three different tensioner designs The first design had a rubber O ring had a larger tensioner piston and was a two piece design The second remained the same except had no O ring The third supersedes all previous tensioners has no O ring has a smaller tensioner piston and is